NEWSLETTER 02

Février 2024

Le Projet National Dolmen est un programme de recherche collaboratif qui rassemble 61 partenaires du domaine du génie civil (maîtres d’ouvrages, ingénieries, entreprises de travaux, industriels, organismes de recherche) et est administré par l’IREX.

Son objectif est de progresser dans la compréhension du comportement des ouvrages d’art en maçonnerie et de transférer les résultats de la recherche à la profession pour améliorer l’évaluation et la maintenance du patrimoine existant et rétablir la maçonnerie dans le catalogue des techniques de construction contemporaines.

Le projet a été lancé en juillet 2021 et des actions ont été initiées dans tous les axes de travail ; n’hésitez pas à vous rapprocher des pilotes pour participer aux réflexions menées dans les différents groupes de travail. Cette newsletter vous permet de suivre l’avancement des actions lancées lors de la première tranche du projet.

Déconstruction du Pont d’Osserain

Phase expérimentale avant démolition

Le comité de pilotage et 24 partenaires du projet national Dolmen se sont mobilisés cet automne autour du chantier démonstrateur du pont d’Osserain dans les Pyrénées-Atlantiques (64).

Le pont en maçonnerie de pierre calcaire à 3 arcs surbaissés construit aux environs de 1880 devait être démoli afin de protéger les riverains régulièrement inondés par les débordements du gave « Le Saison ». Intégrés à l’opération de démolition, les partenaires se sont mobilisés pour saisir cette opportunité rare de collaborer sur un ouvrage en bon état, mis à la disposition de la recherche expérimentale.

Frise temporelle avant démolition

L’action de recherche s’est construite, depuis le mois février, avec :

  • l’élaboration du programme de chargement, en parallèle à la caractérisation des matériaux et de la structure ;
  • une confrontation des outils et méthodes de calculs afin de modéliser la structure en maçonnerie et évaluer son comportement sous chargement ;
  • la mise à disposition de solutions de mesures et la coordination de leur pose dans le cadre du chantier de préparation de la démolition.

Le chargement expérimental de la structure du pont s’est déroulé tout au long de la semaine du 23 octobre 2023, dans le cadre du chantier de démolition dirigé par le Service Ouvrages d’art du Département des Pyrénées-Atlantiques, assisté par Gérard Viossanges, Président du PN Dolmen.

Sous le regard des partenaires et contributeurs, le pont a été chargé progressivement jusqu’à un total de 360 t.

L’action expérimentale et l’ensemble des procédures ont pu se dérouler avec des épisodes de crues. La démolition du pont a pu néanmoins s’achever selon le calendrier attendu.

Phases de chargement du pont d’Osserain (64) © G. Viossanges
Phases de chargement du pont d’Osserain (64) © G. Viossanges

Phase expérimentale avant démolition

Les mesures réalisées durant l’expérimentation sont en cours d’interprétation. Chaque partenaire va pouvoir en rendre compte, avec l’objectif d’améliorer et de d’optimiser les données d’entrées nécessaires aux modèles de calculs. Les modèles de calculs seront ensuite améliorés pour approcher la réalité du comportement de l’ouvrage étudié.

Ces éléments seront synthétisés en 2024 avec l’analyse du cycle de vie d’un ouvrage ayant servi durant presque 150 ans.

MENHIR, le projet adossé au PN DOLMEN, a été retenu par l’ANR

L’objectif du projet ANR Menhir est de proposer un outil fiable, méthodologique et technique, d’évaluation des performances mécaniques et environnementales des ouvrages en maçonnerie du génie civil. Il s’appuiera sur une approche inter et transdisciplinaire, des sciences humaines et sociales à la mécanique des matériaux et des structures, pour fournir une méthodologie complète d’évaluation des ouvrages maçonnés d’infrastructure les plus courants, à savoir les ponts et les murs de soutènement.

Dans le cas des ouvrages d’art en maçonnerie, les données peuvent être difficilement accessibles car il s’agit d’ouvrages anciens, vernaculaires, construits parfois sans dossier d’ouvrages et dont la domanialité a pu évoluer au gré des réorganisations territoriales. Le projet vise ainsi à mettre en place une méthodologie pluridisciplinaire permettant de déterminer ces données, et à les utiliser pour l’étude d’ouvrages d’infrastructure courants (ponts et murs de soutènement de routes départementales) ou plus emblématiques et à fort enjeu (pont-voûte classé et/ou très circulé dans une grande métropole).

Le projet Menhir se limitera à (i) l’étude des ouvrages constitués de pierres calcaires assemblées au mortier de chaux et (ii) aux pathologies les plus courantes constatées telles que les tassements d’appui et les dégradations de propriétés mécaniques dues à l’augmentation de la teneur en eau des matériaux.

Le projet se découpe en un certain nombre de taches (WP) succinctement décrites ci-dessous.

 Fiche d’identité

Nom du projet :
Modélisation mécanique et ENvironnementale pour une approche Holistique et Interdisciplinaire de la Réhabilitation des ouvrages maçonnés

Partenaires :

  • Laboratoire Navier (Navier)
  • Héritages : Patrimoine(s), Culture(s), Création(s) (Héritages)
  • Géosciences et Environnement Cergy (GEC)
  • Cerema – Direction technique Infrastructures de Transport et Matériaux (Cerema-ITM)
  • Laboratoire de Mécanique et Génie Civil (LMGC)
  • Institut de Mécanique et d’ingénierie de Bordeaux (I2M)
  • Département Géotechnique, environnement, risques naturels et sciences de la terre (Université Gustave Eiffel-GERS)

Aide de l’ANR : 708 801 euros
Début et durée du projet scientifique :
Janvier 2024 – 48 Mois

L’objectif du WP1 est d’établir une méthodologie pour la « Recherche documentaire historique » sur la construction et les modifications subies par les ouvrages. Ce travail sera réalisé par Héritages (recrutement d’un chercheur sous contrat), en lien avec le CEREMA et les maîtres d’ouvrage.

Connaissant les matériaux utilisés pour les ouvrages étudiés, le WP2 sera consacré à la « Caractérisation des matériaux constitutifs et du matériau composite maçonnerie » et alimentera les modélisations mécaniques et environnementales (WP3 et WP5). Ce travail sera réalisé par deux stages de Master, l’un encadré par l’I2M, qui dispose de l’expertise expérimentale nécessaire à la caractérisation des assemblages, et l’autre par le GEC pour l’estimation des propriétés physico-chimiques et des processus de dégradation mécaniques liés à la teneur en eau. Un post-doctorat dédié à l’estimation des propriétés homogénéisées du « matériau maçonnerie » et une thèse de doctorat seront partagés entre les WP2 et WP3 (I2M et LMGC).

Sur la base des caractéristiques mécaniques essentielles estimées pour le WP2, les « Modélisations mécaniques des ouvrages » seront conduites dans le WP3. Ce travail sera réalisé via la thèse de doctorat partagée entre les WP2 et WP3 (I2M et LMGC). La comparaison des calculs CR et MED avec les résultats expérimentaux de WP4 sera réalisée dans le cadre d’une thèse de doctorat, encadrée par GERS et Navier.

Dans le WP4, une campagne d’« Expérimentations pour la validation des modèles » sera menée sur maquettes à échelle réduite et à l’échelle 1 sur deux types d’ouvrages en maçonnerie représentatifs (mur et voûte). Les essais sur structure bénéficieront de la dalle d’essais de Champs-sur-Marne et de la plateforme de l’école de la pierre sèche à L’Espinas (en collaboration avec des artisans maçons).

En parallèle à ces modélisations mécaniques, une « Modélisation environnementale par l’analyse de cycle de vie » (WP5) sera menée sur les mêmes cas d’étude. Ce travail sera réalisé lors d’un post-doctorat encadré par Navier et GERS/MAST. Il se poursuivra par une étude des impacts environnementaux, économiques et sociétaux, dans le cadre du PN Dolmen.

Un lien constant sera maintenu par le CEREMA avec les gestionnaires des ouvrages étudiés dans l’ANR via le WP0 « Coordination, transfert et valorisation ».

Le travail sera également valorisé sous forme de guides et de logiciels « métier » dans le PN Dolmen, d’articles dans des revues scientifiques et de présentations lors de conférences nationales et internationales.

La coordination du projet sera assurée par le LMGC.

Conception d’un mur de soutènement en pierre de taille armée

Dimensionnement des constructions neuves (Axe 3)

Dans le cadre de l’axe 3 du PN Dolmen, une équipe constituée de Rocamat représenté par Carla Pani, l’INSA Toulouse représenté par Nathalie Domede et l’agence AIA Ingénierie de Paris représentée par Alain Popinet et Ninon Gombault, ingénieure structure embauchée en CDD pour travailler à temps plein sur l’axe 3 grâce au financement alloué par le PN DOLMEN, travaille sur la conception d’un mur de soutènement en pierre de taille « armée », c’est-à-dire renforcée par scellements. Les objectifs de cette innovation sont principalement de diminuer l’impact environnemental en limitant la consommation de béton aux fondations. Le projet de R&D consiste à optimiser l’épaisseur des murs en pierre (moins épais qu’un mur poids) ainsi que la taille des blocs.

Schéma de principe du mur de soutènement en pierre armée
Phases de chargement du pont d’Osserain (64) © G. Viossanges
Phases de chargement du pont d’Osserain (64) © G. Viossanges

L’innovation est appliquée à un marché en cours chez AIA Ingénierie. Il s’agit d’un mur de soutènement effondré en région parisienne et à reconstruire, actuellement étayé. Une partie des moellons du mur de soutènement effondré seront stockés après démontage pour réemploi, dans l’objectif de créer un mur en pierre de taille et moellons respectant l’architecture locale.

Ci-dessous : Photos du mur de soutènement étudié

Une étude comparative sera menée sur les 3 solutions suivantes : le mur classique en L en béton armé, le mur poids en pierre massive, et l’innovation en pierre avec renforts scellés. Le projet réel comprend deux murs sur deux niveaux : le mur amont soutient un talus de 5,55 m, le mur aval supporte un escalier piéton, de 3 m de hauteur. C’est ce dernier qui est l’objet du projet d’innovation.

Schémas des essais de traction

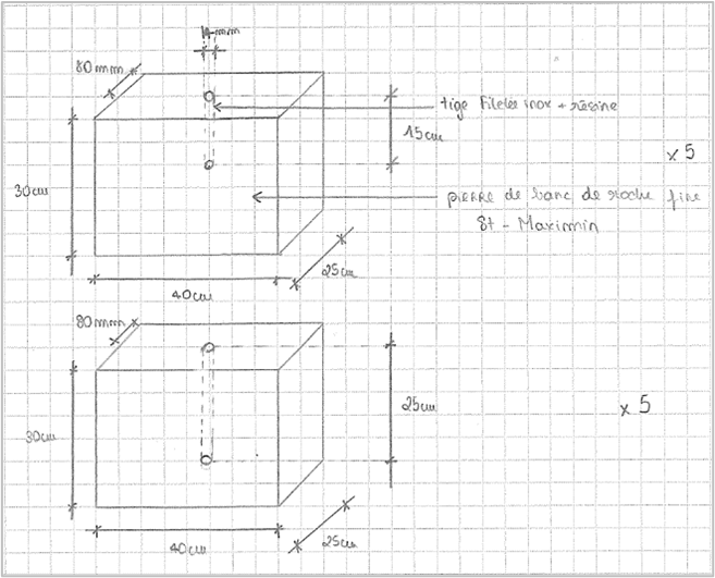
L’équipe s’est associée avec la société Fischer spécialisée en scellement par injection afin de lancer une campagne d’essais programmée à la fin de l’année 2023. Cette campagne consiste en la réalisation de 11 essais de traction sur des tiges scellées dans des blocs de pierre de St Maximin fournis par Rocamat (Figure 8) : 5 essais de traction sur bloc de pierre, ancrage 15 cm, 5 essais de traction ancrage 25 cm, 1 essai d’empilement de 3 blocs de pierre avec ancrage. Une réflexion est menée sur la valeur de l’enrobage des barres (8 cm).

Ci-contre : Schémas des essais de traction

Retour sur l’Assemblée Générale du 27 juin 2023

Collecte de données auprès des carrières et micro-carrières de pierre à bâtir, des briquèteries et des producteurs de chaux

La deuxième assemblée générale du PN Dolmen s’est tenue le 27 juin 2023 au bâtiment Bienvenüe de l’Université Gustave Eiffel, en présence de 35 membres du projet. L’assemblée générale est l’instance décisionnelle du PN, où chaque partenaire dispose d’une voix pour s’exprimer sur les orientations stratégiques du projet. C’est aussi l’occasion de suivre l’avancement des travaux. Cette AG a ainsi permis de faire le bilan des actions en cours et de présenter notamment le projet du chantier démonstrateur du pont d’Osserain, les résultats de l’état des lieux des bases de données existantes sur les propriétés des matériaux constitutifs de la maçonnerie ainsi que l’avancement des études sur la prise en compte des incertitudes et des risques dans les modèles de calcul. Cette AG marque enfin le lancement de la troisième tranche du PN au cours de laquelle seront menées, entre autres, les développements des cœurs de calcul « historique » et « calcul à la rupture » du logiciel métier et le développement d’une méthode d’optimisation des murs en pierre renforcés. La prochaine AG devrait avoir lieu à l’été 2024.

La deuxième assemblée générale du projet national © G. Viossanges
Dolmen

Le Projet National DOLMEN est :